万花楼论坛网,一品楼免费论坛官网,广州一品香论坛地址,一品小红楼论坛

YUKEN叶片泵官网
咨询电话:13686884195  

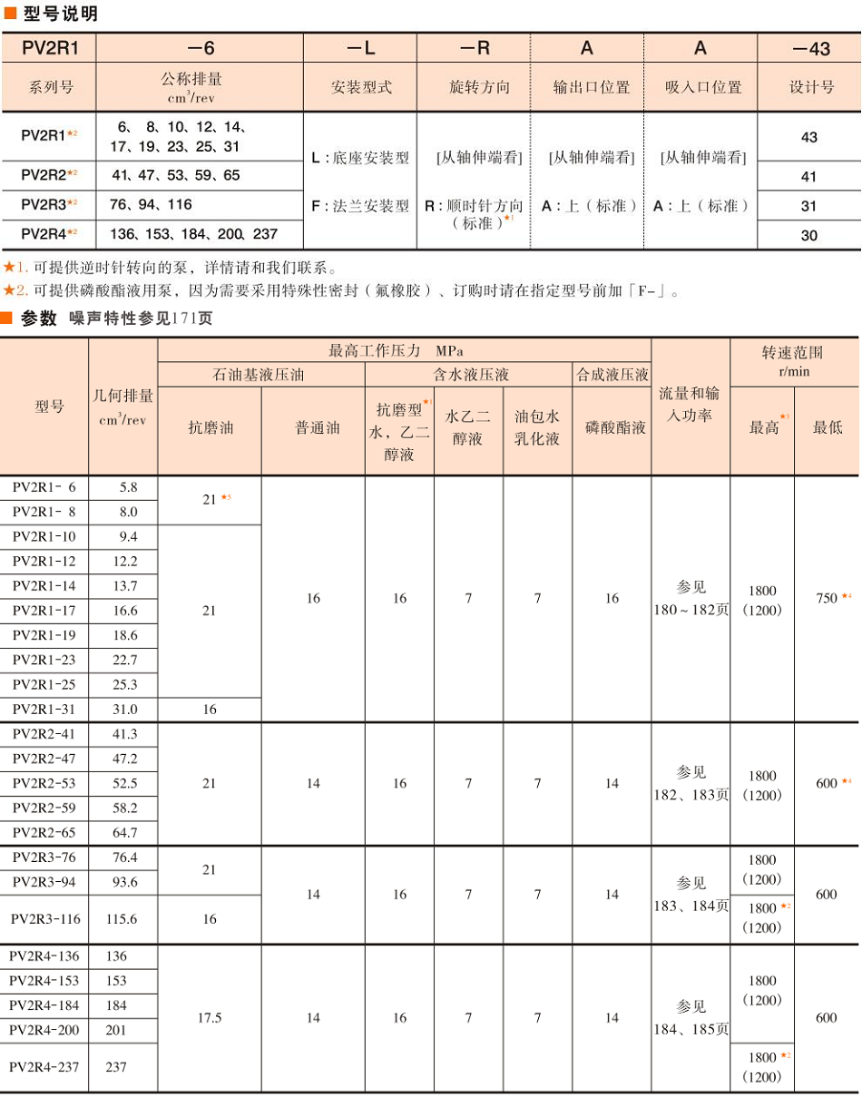
PV2R型单泵

油研PV2R单泵型号说明及参数

PV2R型双联泵

油研PV2R双联叶片泵型号说明及参数

50T 、150T单泵

油研50T/150T叶片泵型号说明

SVPF可变叶片泵

油研SVPF可变叶片泵

SVPDF双联可变叶片泵

油研SVPDF双联可变叶片泵

粤ICP备18021409号-3