BT-03-V-32油研YUKEN先导控制溢流阀型号说明及参数
发布时间:2026-04-16 10:35:45?
BT-03-V-32先导控制溢流阀
这些阀?;け煤涂刂品б悦獬?,且能使液压系统保持恒定控制压力。利用远程控制回路可实行远程控制和卸荷控制。
BT-03-V-32先导控制溢流阀型号说明及参数:
BT-03-V-32先导控制溢流阀安装尺寸:
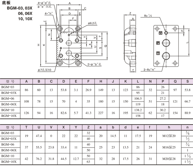
BT-03-V-32先导控制溢流阀底板:
使用注意事项:
1.用于远程控制的远程控制溢流阀,请参见189页。如果管的内部容积太大,可能出现振动,因而应尽可能减小配管的直径和长度。
2.进行压力调节时,先拧松锁紧螺母,增压时顺时针方向,降压时逆时针方向,慢慢转动手柄。调压后,必须拧紧锁紧螺母。
3.回油箱内的配管不得与其他的回油管连接,而应直接回油箱
4.当小流量时,设定压力将不稳定。流量应大于右表的最小流量