万花楼论坛网,一品楼免费论坛官网,广州一品香论坛地址,一品小红楼论坛

咨询热线:

136-8688-4195
油研
当前位置:主页 > 新闻中心 > 行业资讯

行业资讯

1P系列Marzocchi马祖奇齿轮泵

更新时间:2026-04-16 10:33:11??

1P系列Marzocchi齿轮泵
1P系列齿轮泵,排量从1.1cc到8.0cc。泵体、法兰、端盖由特殊的抗压铝合金压铸而成??商峁┞菸苹蚍ɡ加涂?,锥轴或G轴。
 
1PD1.6马祖奇齿轮油泵
1PD11.5马祖奇齿轮油泵
1PD2.5马祖奇齿轮油泵
1PD2马祖奇齿轮油泵
1PD3..3马祖奇齿轮油泵
1PD4.2马祖奇齿轮油泵
1PD5.8马祖奇齿轮油泵
1PD5马祖奇齿轮油泵
1PD6.7马祖奇齿轮油泵
1PD7.5马祖奇齿轮油泵
1PD9.2马祖奇齿轮油泵
0.25D18马祖奇齿轮油泵
0.25D24马祖奇齿轮油泵
0.25D30马祖奇齿轮油泵
0.25D36马祖奇齿轮油泵
0.25D48马祖奇齿轮油泵
0.25D60马祖奇齿轮油泵
0.5D0.50马祖奇齿轮油泵
0.5D0.75马祖奇齿轮油泵
0.5D1.00马祖奇齿轮油泵
0.5D1.30马祖奇齿轮油泵
0.5D1.60马祖奇齿轮油泵
0.5D2.00马祖奇齿轮油泵
 
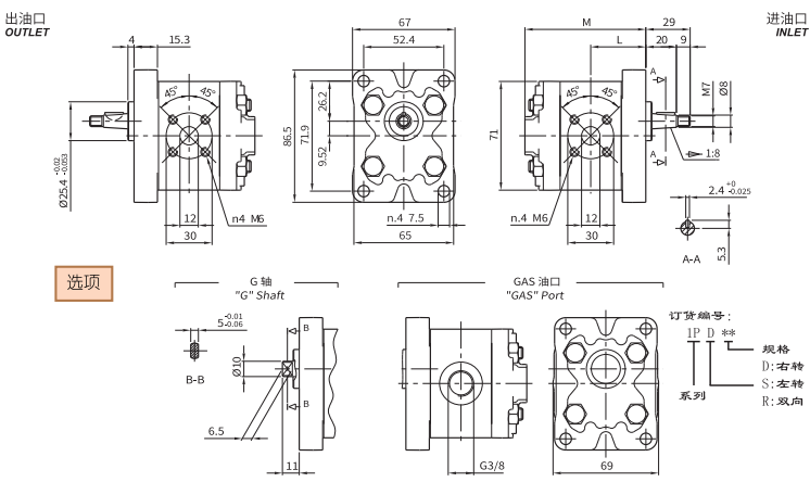
马祖奇齿轮泵1P系列安装尺寸:
马祖奇齿轮泵1P系列安装尺寸
 
1P系列Marzocchi高压齿轮泵型号及参数:
1P系列Marzocchi高压齿轮泵型号及参数
 
Marzocchi公司由Guglielmo和Stefano Marzocchi 创建于1961年,位于Bologna市郊的Casalecchio di Reno.如今Marzocchi公司已经成为了-家超过400名员工的工业集团公司。
Marzocchi集团由所有人Adriano和Paolo Marzocchi领导,主营液压泵,液压马达,摩托车和山地车的悬挂系统。
如今Marzocchi公司在外啮合齿轮泵和马达方面,无论是生产规?;故遣菲分?都已经跻身于世界上最主要的制造商行列。
得益于多年的声望和经验,Marzocchi公司将 会是您最可靠的工作伙伴,为您提供优质的服务和专业的技术咨询。
相关资讯