万花楼论坛网,一品楼免费论坛官网,广州一品香论坛地址,一品小红楼论坛

咨询热线:

136-8688-4195
油研
当前位置:主页 > 新闻中心 > 行业资讯

行业资讯

日本油研??匾缌鞣?DT-01, DG-01

更新时间:2026-04-16 10:33:04??

油研??匾缌鞣?DT-01, DG-01
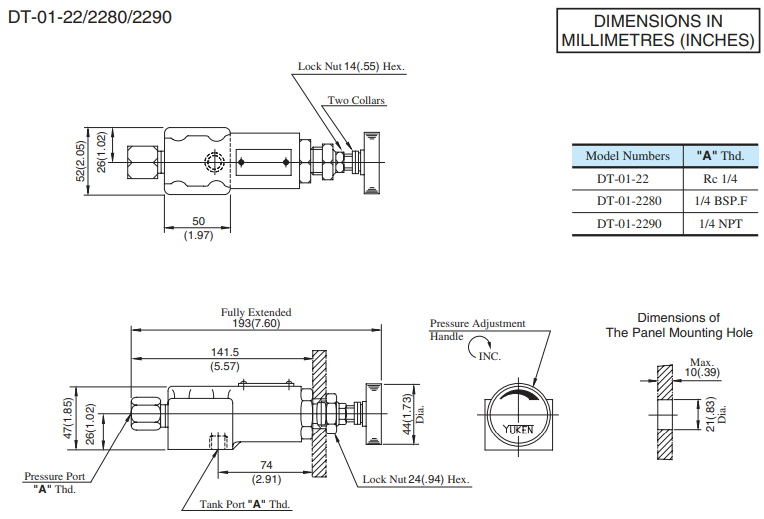
DT-01、DG-01??匾缌鞣А8梅в米飨鹊际窖沽刂品У脑冻炭刂品?。
两种连接形式: DT - 螺纹连接,DG - 底板安装
日本油研??匾缌鞣? src=
 
 ■说明书
●要调整压力,请松开锁紧螺母并顺时针缓慢转动手柄,以达到更高的压力
压力较低时为逆时针。调整后,不要忘记拧紧
锁紧螺母。
储罐管线的管道不应连接到其他阀门的任何储罐管线,但
直接连接到储液器。
●压力受到安装的套环的限制。如果不能获得工作压力,
拆下一些项圈。一个套环相当于10 MPa(1450 PSI)。
如果排气管的内部容积过大,则可能会发生振动。
DT-01-22/2280/2290尺寸
相关资讯